
Pompa basculare 12V, 2,2kW 150 bar, cu rezervor metalic 10L si telecomanda (BK99250)
Producator: Autospeed

Pompa basculare 12V, 2,2kW cu rezervor metalic 10L si telecomanda detalii:
- Tensiune alimentare : 12V
- Debit pompa ulei : 3.2 ml/r
- Presiunea de lucru : 150 bar
- Putere motor : 2.2 kw
- Capacitate rezervor ulei : 10L fabricat din metal
- Mufa racordare : M14 x 1.5
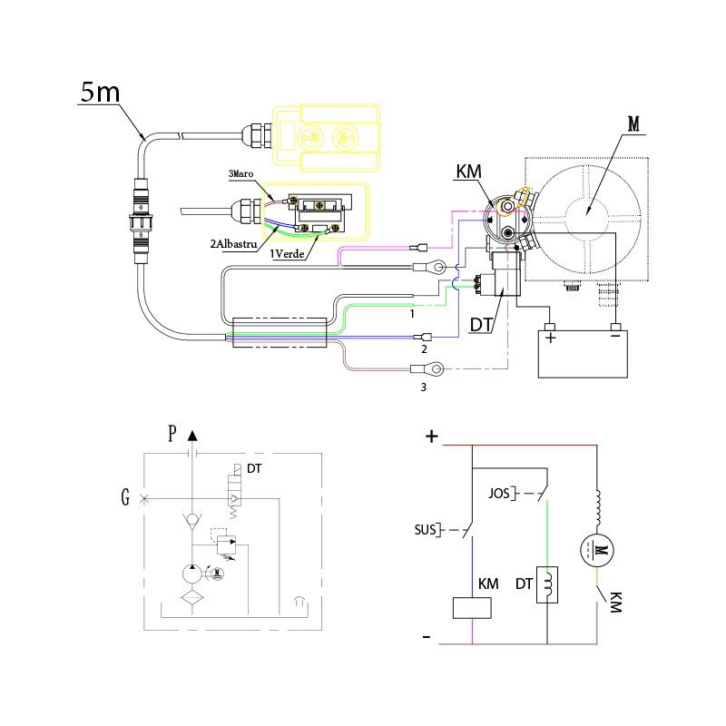
- Lungime fir telecomanda : 5 m
- Coborare : din inertie
*Contine suport de montare
Schema instalatie hidraulica:

Schema instalatie electrica:

Cod echivalent : DISCG84